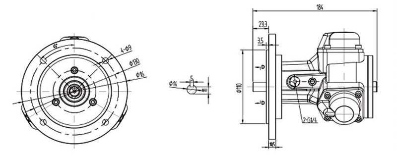
Mga parameter ng produkto ng AMP3:    
  Power: 0.18KW, lakas-kabayo: 0.25HP, metalikang kuwintas: 1.7N.m, libreng bilis: 1000RPM, pagkonsumo ng gas: 260L/min, timbang: 2.7-3.8KG (iba't ibang paraan ng pag-install, iba't ibang timbang), apat na paraan ng pag-install ay magagamit: basic, patayo, pahalang, flange, opsyonal na manual control valve, preno, gear reducer, controller. 
     Mga karaniwang tampok:    
  Gamit ang compressed air bilang power source para sa kaligtasan at explosion-proof, ang produkto ay may explosion-proof certificate at nakakatugon sa mga pambansang pamantayan sa kaligtasan. Mataas na metalikang kuwintas, mababang pagkonsumo ng gas, ay hindi masusunog dahil sa labis na karga, bilis ng hakbang-mas kaunting pagsasaayos, pagsisimula, pagsasaayos, paghinto sa pamamagitan ng paglipat ng balbula ng kontrol, ay maaaring agad na baligtarin ang direksyon. Ang motor ay idinisenyo upang maging nakapaloob sa kabuuan at maaaring gamitin sa maalikabok, mahalumigmig, at malupit na kapaligiran. Malawakang ginagamit sa industriya ng kemikal, semiconductor, kristal, petrochemical, biochemical na teknolohiya, mga pabrika ng pintura, automated na makinarya, at iba pang industriya. 
     Kapaligiran sa pagtatrabaho:    
  Fluid: Naka-compress na hangin  
  Paggamit ng presyon: 5Kg/cm     2    (70psi)  
  Pinakamataas na presyon ng pagtatrabaho: 6Kg/cm     2    (85psi)  
  Temperatura sa paligid: -10°C~ 70°C (maaari lamang gamitin sa hindi nagyeyelong estado)  
  Langis na pampadulas: IS0VG32 o katulad nito. (Kailangang magdagdag ng langis na may oil mist, 2~3 patak kada minuto).  
  Patuloy na paggamit: Oo (hindi maaaring tumakbo nang tuluy-tuloy nang walang load).  
  Inirerekomendang bilis: (0.3~1) x maximum na bilis ng output. 
Mga detalyadong parameter
| Modelo | Gear Ratio | Pinakamataas na Output | Stall Torque | Timbang(KG) | |||||||||
| kapangyarihan | Torque | Na-rate na Bilis | Pagkonsumo ng hangin | Basic | Patayo | Pahalang | |||||||
| HP | KW | N.m | Ibf. ft | R.P. Mmin | L/min | CFM | N.m | Ibf. ft | KG | KG | KG | ||
| AMP3 | 0.25 | 0.18 | 1.7 | 1.3 | 1000 | 260 | 9.2 | 2.3 | 1.7 | 2.7 | 3.2 | 3.8 | |
| G1/3 | 4.7 | 3.47 | 330 | 7.8 | 5.8 | " | 9.6 | 9.8 | |||||
| G1/5 | 7.9 | 5.8 | 200 | 12.8 | 9.4 | ||||||||
| G1/10 | 15.9 | 11.7 | 100 | 26 | 19.2 | ||||||||
| G1/15 | 23.6 | 17.4 | 66 | 38.5 | 28.4 | " | 12.2 | 12.4 | |||||
| G1/20 | 31.5 | 23.2 | 50 | 51.5 | 38 | ||||||||
| G1/30 | 46.8 | 34.5 | 33 | 76.4 | 56.4 | ||||||||
| G1/40 | 62.3 | 46 | 25 | 101.5 | 74.9 | ||||||||
| G1/50 | 77.3 | 57 | 20 | 125.3 | 92.5 | ||||||||
View ng eskematiko na plano:
           |                |    
| AMP3-T(Basic na uri) | AMP3-F(Vertical) | 
           |                |    
| AMP3-L(Pahalang) | AMP3-IEC(uri ng Flange) | 
Diagram ng breakdown ng produkto:
  
 
| HINDI. | Pangalan | Dami | HINDI. | Pangalan | Dami | HINDI. | Pangalan | Dami | 
| 1 | Pabahay | 1 | 12 | Gasket ng Katawan | 2 | 23 | I-vent ang turnilyo | 1 | 
| 2 | Pamamahagi ng balbula | 1 | 13 | Gasket | 3 | 24 | Ang takip ng motor | 1 | 
| 3 | Drive End Bearing | 1 | 14 | Hanapin ang gasket | 2 | 25 | Tornilyo ng crankshaft | 1 | 
| 4 | Ang suliran | 1 | 15 | Roller bearing | 2 | 26 | Tracheal plug | 1 | 
| 5 | Shalf Seal | 1 | 16 | Tornilyo sa ulo ng socket | 12 | 27 | Plug | 2 | 
| 6 | Hole card spring | 1 | 17 | Cylinder liner | 3 | 28 | Muffler | 1 | 
| 7 | Drive End Bearing | 1 | 18 | O-ring | 3 | 29 | Square flange | 1 | 
| 8 | Circlip | 1 | 19 | ulo ng silindro | 3 | 30 | Pahalang na plato | 1 | 
| 9 | Piston | 3 | 20 | O-ring | 3 | 31 | Pabilog na flange | 1 | 
| 10 | Pang-uugnay na baras | 3 | 21 | Spring washer | 12 | |||
| 11 | Itigil ang pin | 3 | 22 | O-rings | 1 | 

Sa mga modernong sistema ng produksiyon ng industriya, ang pagganap ng mga yunit ng kuryente ay direktang tumutukoy sa kahusayan at katatagan ng mga proseso ng paggawa. Bilang isang aparato ng driv...
Tingnan ang higit paSa modernong industriya, ang pagpili ng mga kagamitan sa paghahatid ng kuryente ay direktang nakakaapekto sa kahusayan ng produksyon at katatagan ng pagpapatakbo. Bilang isang aparato ng drive na p...
Tingnan ang higit paSa malawak na arena ng modernong pang-industriya na produksiyon, ang pag-aangat ng Kagamitan ay mong kaileang-kailangan na "bayani sa liSod ng mga eksena," Tahimik na sumusuporta sa makinis na oper...
Tingnan ang higit paManatiling Konektado