Paglalarawan ng produkto:    
  Mga parameter ng produkto ng AMV7 vane pneumatic motor:  
  Power: 7KW, lakas-kabayo: 9.5HP, metalikang kuwintas: 34N.m, libreng bilis: 2000RPM, pagkonsumo ng hangin: 7700L/min, timbang: 33-36KG (iba't ibang paraan ng pag-install, iba't ibang timbang), tatlong paraan ng pag-install ay magagamit: patayo, pahalang , flange, opsyonal na manual control valve, preno, gear reducer, controller. 
     Mga karaniwang tampok:    
  Ang paggamit ng naka-compress na hangin bilang pinagmumulan ng kuryente ay ligtas at hindi sumabog. Ang produkto ay may explosion-proof certificate at nakakatugon sa mga pambansang pamantayan sa kaligtasan. Ang mataas na bilis at mataas na torque ay hindi masusunog dahil sa labis na karga. Ang bilis ay nababagay nang walang hakbang. Ang control valve ay ginagamit upang ilipat ang pagsisimula, pagsasaayos, at paghinto, at ang direksyon ay maaaring maibalik kaagad. Ang motor ay idinisenyo upang maging nakapaloob sa kabuuan at maaaring gamitin sa maalikabok, mahalumigmig, at malupit na kapaligiran. Ito ay malawakang ginagamit sa industriya ng kemikal, semiconductor, kristal, petrochemical, teknolohiyang biochemical, pabrika ng pintura, automated na makinarya, at iba pang industriya. 
     Kapaligiran sa pagtatrabaho:    
  Fluid: Naka-compress na hangin  
  Paggamit ng presyon: 5Kg/cm     2    (70psi)  
  Pinakamataas na presyon ng pagtatrabaho: 6Kg/cm     2    (85psi)  
  Temperatura sa paligid: -10°C~ 70°C (maaari lamang gamitin sa hindi nagyeyelong estado)  
  Langis na pampadulas: IS0VG32 o katulad nito. (Kailangang magdagdag ng langis na may oil mist, 2~3 patak kada minuto).  
  Patuloy na paggamit: Oo (hindi maaaring tumakbo nang tuluy-tuloy nang walang load).  
  Inirerekomendang bilis: (0.3~1) x maximum na bilis ng output. 
Mga detalyadong parameter
AMV7-L
     
   
AMV-F
     
   
| Modelo | Gear Ratio | Petsa sa Max kapangyarihan | Data sa Max Torque | Timbang(KG) | ||||||||
| Power | Torque | Bilis | Pagkonsumo ng hangin | Max Torque | Patayo | Pahalang | Flange | |||||
| H P | KW | N.m | lbf.ft | rpm | L/min | N.m | lbf.ft | KG | KG | KG | ||
| AMV7 | 9.5 | 7 | 34 | 25 | 2000 | 7900 | 53 | 39.1 | 33 | 33 | 36 | |
| 1/5.3 | 170 | 125.5 | 375 | 243 | 179.3 | 61 | 64 | ※ | ||||
| 1/9.9 | 305 | 225.1 | 200 | 446 | 329.1 | |||||||
| 1/15.35 | 465 | 343.2 | 130 | 695 | 512.9 | |||||||
| 1/27.88 | 851 | 628 | 70 | 1321 | 974.9 | |||||||
| 1/47.58 | 1425 | 1051.7 | 42 | 2165 | 1597.8 | 99 | 102 | ※ | ||||
| 1/59.92 | 1720 | 1269.3 | 30 | 2695 | 1988.9 | |||||||
| 1/80.91 | 2280 | 1682.6 | 24 | 3607 | 2662 | 256 | 266 | ※ | ||||
| 1/103.2 | 2987 | 2204.4 | 19 | 4780 | 3527.6 | |||||||
| 1/156.31 | 4458 | 3290 | 12 | 7215 | 5324.7 | |||||||
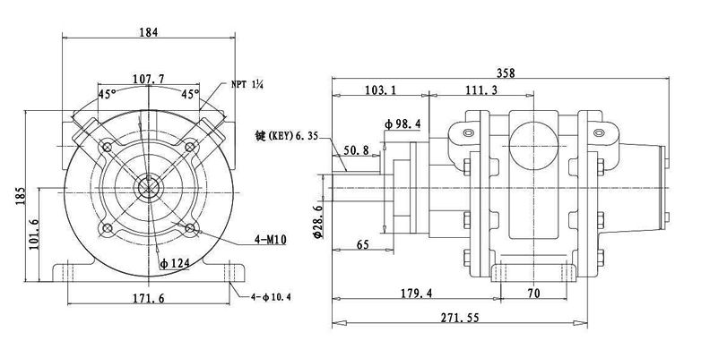
Mga sukat ng pag-install ng AMV7
           |                |    
| AMV7-F Vertical | AMV7-L Pahalang | 

Sa mga modernong sistema ng produksiyon ng industriya, ang pagganap ng mga yunit ng kuryente ay direktang tumutukoy sa kahusayan at katatagan ng mga proseso ng paggawa. Bilang isang aparato ng driv...
Tingnan ang higit paSa modernong industriya, ang pagpili ng mga kagamitan sa paghahatid ng kuryente ay direktang nakakaapekto sa kahusayan ng produksyon at katatagan ng pagpapatakbo. Bilang isang aparato ng drive na p...
Tingnan ang higit paSa malawak na arena ng modernong pang-industriya na produksiyon, ang pag-aangat ng Kagamitan ay mong kaileang-kailangan na "bayani sa liSod ng mga eksena," Tahimik na sumusuporta sa makinis na oper...
Tingnan ang higit paManatiling Konektado